新闻资讯

当前位置: 首页 > 新闻资讯

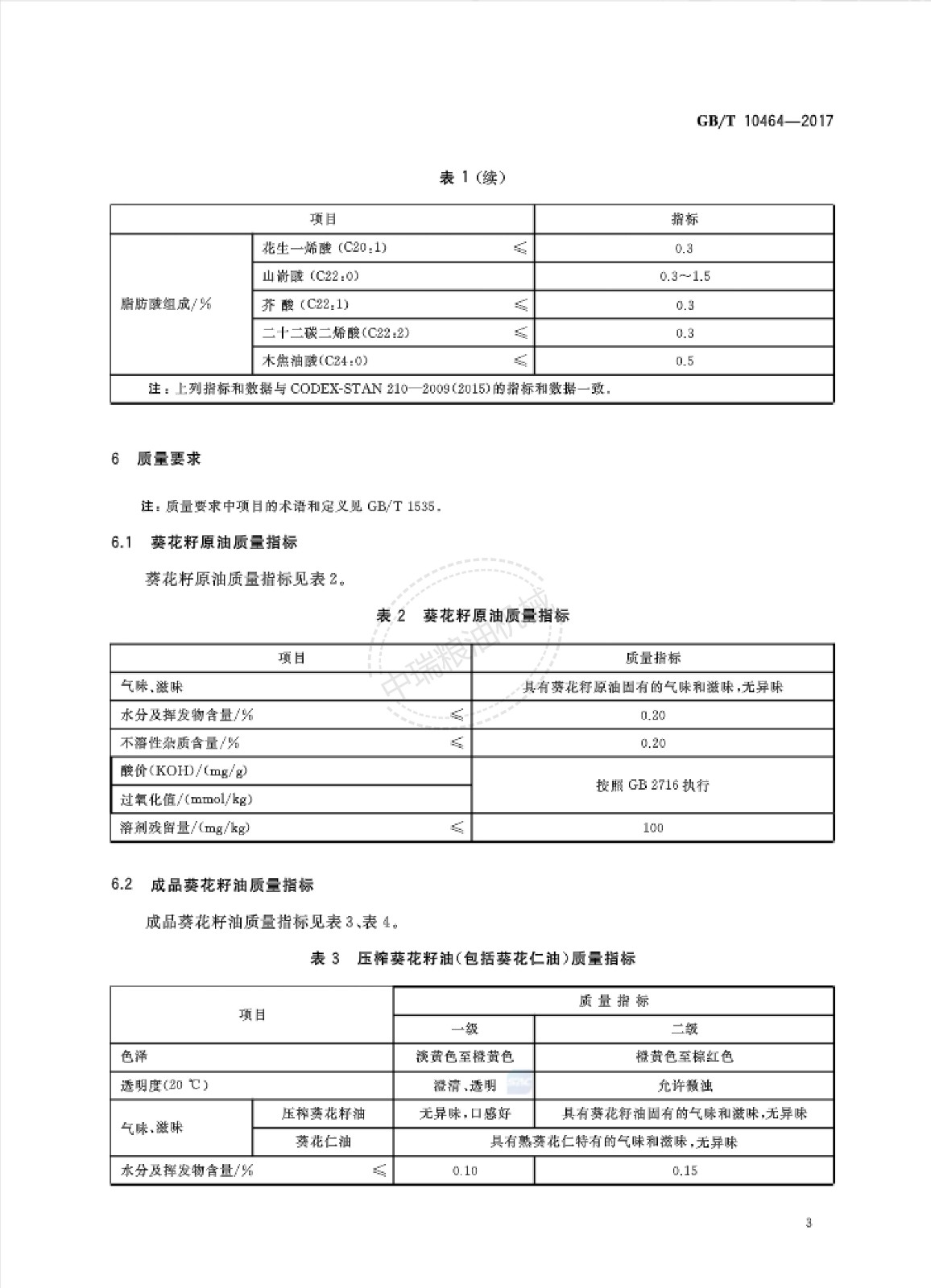
葵花籽油国家标准(GB/T 10464-2017)

2021-4-16 22:19:18
64882次

葵花籽油是从葵花籽中提取的油类,也是一种重要的食用油。葵花籽分食用葵和油油用葵,简称油葵;

葵花子油颜色金黄、澄清透明、气味清香,含有大量的亚油酸等人体必需的不饱和脂肪酸,可以促进人体细胞的再生和成长,保护皮肤健康,并能减少胆固醇在血液中的淤积,是一种高级营养油。葵花籽油国家标准(GB/T 10464-2017)如下


标签

河南中瑞粮油机械有限公司

全国咨询热线:13523710589          手机:13523710589(王经理)

邮箱:920274846@qq.com                     地址:河南-郑州-黄河粮油机械装备基地


    访问手机端           微信客服